Нефтехранение
Март 2023 г.
Назначение системы
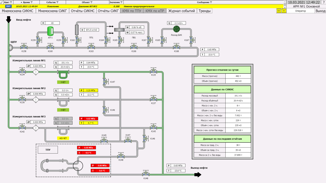
Система измерений количества и показателей качества нефти сырой и газа ДНС-1 Тайлаковского месторождения ПАО «Славнефть-Мегионнефтегаз» (далее Система), предназначена для измерений массы брутто и определения массы нетто нефти сырой с учётом массы балласта, определённого по лабораторным данным с учётом показаний поточных преобразователей БИК (плотномера, влагомера, температуры, давления), а также объёма газа при учётных операциях.
Задача реализации новой системы
Главная задача внедрения новой системы — повысить точность учёта нефти и газа на всех этапах технологических операций. Система была разработана с учётом необходимости автоматизации процессов сбора, обработки, архивации данных, а также дистанционного управления оборудованием. Особое внимание было уделено сокращению зависимости от импорта, путем замены иностранных решений российскими аналогами.
Внедрение новой системы также включало ряд других целей:
повышение точности учёта нефти и газа;
cтандартизация процессов;
cнижение зависимости от импортного ПО и оборудования;
улучшение управления технологическими процессами;
автоматизация формирования отчётов.
Решение
В новой среде разработки были применены передовые решения, включая типизацию объектов, собственные библиотеки, написание скриптов на C# для обработки таблиц данных и использование внешних функциональных блоков (ВФБ) для выполнения математических расчётов. Все эти элементы позволили добиться стандартизации системы и её соответствия метрологическим требованиям. В результате аттестации системы она была сертифицирована для использования на объектах СИКН и СИКНС.
Особое внимание уделялось обеспечению гибкости системы, чтобы её можно было адаптировать для других производственных объектов и без труда интегрировать с уже существующими системами управления заказчика.
Функции системы
ПО MasterSCADA, установленное на автоматизированных рабочих местах, предоставляет следующие функции:
cбор, обработка и отображение технологических параметров;
архивирование информации;
дистанционное управление технологическим оборудованием;
разграничение доступа к функциям системы;
автоматическое формирование отчётной документации;
ведение баз данных с использованием СУБД PostgreSQL;
передача данных в АСУ ТП Заказчика по протоколу OPC DA.
Результат
Аттестация программного обеспечения:
Реализация импортозамещения:
- Проведена аттестация ВФБ в соответствии с МИ 2676-2001, Р 50.2.077-2014, ГОСТ Р 8.883-2015, МИ 2174-91.
- Получено «Свидетельство о метрологической аттестации алгоритма и программы вычислений» от ФГУП ВНИИР.
- ВФБ присвоен №32014-21, допущен к применению на СИКН и СИКНС.
Реализация импортозамещения:
- Формируется программа реконструкции АСУ ТП для замещения импортного оборудования и программного обеспечения на российские аналоги.
- Разработанная Система рассматривается как замена действующему импортному ПО на всех объектах Заказчика.